微波射频领域,系统的相位精度直接影响设备的整体性能。泰莱微波全新推出TLMPS-40G-50-S超宽带手动可调移相器,凭借DC-40GHz全频段覆盖的硬核实力,搭配优异的相位调控能力与超高稳定性,精准破解高频场景下的相位调控难点,为微波测试、卫星通信、前沿科研等领域提供兼顾带宽、易用的解决方案。
核心指标
超宽频覆盖:突破带宽限制,实现DC-40GHz全频段无缝覆盖,兼容性强。
高精度相位调控:50°/GHz宽幅移相量+1.2×f(GHz)高相位灵敏度,实现移相的精准调节;超低插损(仅2dB)、优异驻波指标(1.4-1.6),确保信号传输稳定。
实测曲线:
插损实测曲线:
最大移相实测曲线:
应用场景
微波测试测量领域:用于模拟和数字信号补偿线缆相位误差,提升测试精度。
卫星通信与5G毫米波领域:适配相控阵天线测试系统,高效解决多通道幅相一致性难题,为卫星通信链路稳定、5G毫米波技术落地提供关键相位调控支撑。
前沿科研领域:为高校射频实验室、科研院所提供低成本、易操作的相位调控工具,助力微波原理教学与前沿技术研究,如光频梳等前沿科研应用。
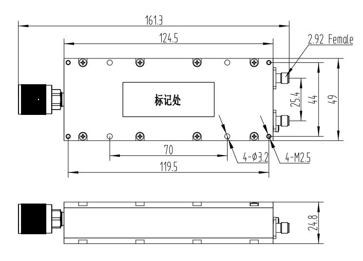
外形尺寸:
TLMPS-40G-50-S手动可调移相器,将超宽频带、精准相移与卓越性能融于一体,立即联系我们,获取超宽带移相解决方案。




